A letter from an employee

A letter from an employee

This letter was written to Gideon Stieff by a disabled employee who felt that he was setting a bad example for taking Mr. Stieff’s money, but really doing no real work...

The letter is signed by Louis Anderfuhren*
We do not know what Mr. Stieff decided to do here. I do note that there are pencil notations dividing the 78.75 by 4 to get 19.68 Was this man injured on the job? He notes that he had lost his hand and had diabetes, one of which is causing him to be lazy. Either way, I doubt that we could find someone asking for a reduction in pay especially during the early days of the depression when people were losing jobs by the millions.
*
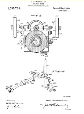
I started wondering.. who was Louis Anderfuhren. Did he have a history? Seems he held a patent for a piece of machinery used in metal working.. i.e. Silversmithing.



And look who witnessed the patent...
Charles and Gideon Stieff.
Below, copies of the device.



So, it would appear that Louis was more than just an employee for Stieff, but someone that contributed to the development of machinery used at the factory.